您当前所在位置:主页 > 技术交流

雪铁龙爱丽舍发动机转速表和车速表同时失效维修案例

发布时间:2020/9/1 11:14:40|栏目:技术交流 |浏览次数: |信息来源:

故障现象:

一辆行驶里程约7万km的东风雪铁龙经典爱丽舍轿车。该车组合仪表的发动机转速表和车速表同时不指示    

故障分析:

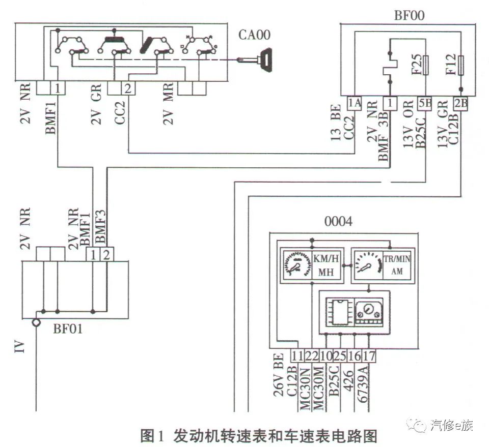
发动机转速表和车速表工作原理分析:如图1所示,0004为组合仪表,CA00为点火开关,BF00为乘客舱保险丝盒,BF01为发动机舱保险丝盒。

    

发动机转速表和车速表是2个不同的信号分别进入组合仪表0004、0004组合仪表16脚是发动机ECU输入的转速信号即发动机转速显示,0004组合仪表17脚是ABS ECU输入的车速信号即车速显示,即使输入信号有问题,也不可能2路信号同时有问题。

故障排除:

根据电路图对比,无故障车和故障车辆组合仪表0004各脚电压对比未发现明显异常,如表1和表2所示。

 

 

 

拆掉该车加装的导航、行车记录仪等,检查发动机舱线束搭铁点,更换仪表线束和新的组合仪表。跟踪故障车辆,跟踪第10天故障再现。将组合仪表旧件拆下分析,发现组合仪表内供应转速表和车速表的电源烧掉,发动机转速表和车速表2个表均不指示,但测量电压又未见异常,初步判断发电机偶然电压不稳,更换发电机和组合仪表,继续跟踪故障车辆。

跟踪10天故障再现,那到底是什么原因导致组合仪表电压高?为什没有灯泡烧等其它电压升高导致的故障?恰好此时,另外一家4S店同一款车出现同样故障,更换组合仪表,当时起动,仪表指示正常,10min后熄火再次起动,组合仪表烧掉。    

故障出现与起动有关,而仪表的供电正是通过点火开关在D位和M位供电。更换点火开关CA00,排除爱丽舍发动机转速表和车速表被烧故障。  

故障总结:

由于该故障是新故障,同时按电路图测量数据正常,因此我们将重点放在车辆改装,线路,发电机电压偶尔不正常上。但是通过检查更换相关元器件没有解决问题,为什么发动机转速表和车速表被烧,要更换点火开关呢?下面我们进一步分析,如图2工作原理图所示,当我们打开点火开关起动时,起动电流经过点火开关和BF00保险丝盒到0004组合仪表,由于点火开关故障,起动瞬间产生电弧造成烧组合仪表0004,造成发动机转速表和车速表不能指示。

    

实际上很多故障通过与用户的沟通,详细了解故障发生的细节后,解决故障的方向就已很明确。由于该车为租赁车,车辆进行了改装加装,造成点火开关的部分故障,最终导致了0004仪表被烧,造成发动机转速表和车速表不能指示。

 

盐城汽车维修行业协会 版权所有 备案号:苏ICP备20046122号
地址:盐城市亭湖区毓龙东路7-1号毓龙大厦7楼  联系电话:0515-83018999 / 0515-83071999
技术支持:火搜软件